Click on the empty space to go back
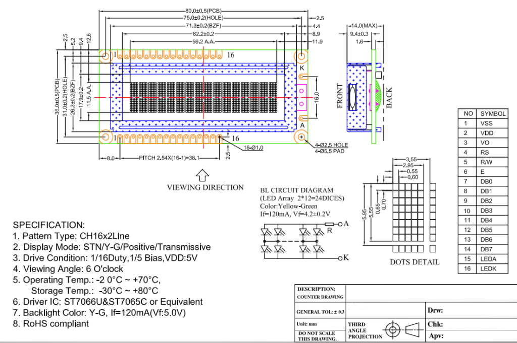
LCD1602-8036 YG
Display Type: STN
Polarizer: Y-G or Blue/Transmissive/Positive or Negative
Driving Method: 1/16 Duty; 1/5 Bias VDD: 5V
Viewing Direction: 6 O’clock
Operating Temperature: -20°C to 70°C
Storage Temperature: -30°C to 80°C
Outline Dimension: 80*36*14 mm
LED Backlight Color:Y-G or White
The product can be produced according to the customer’s specific requirements.
- Description





